key for SND-K3 series

 Features:
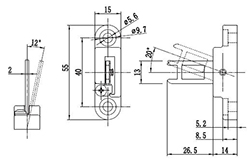
 *For use with SND2,SND4,SMN4 and SND6 (Material:stainless steel)

Specifications:
*For use with SND2,SND4,SMN4 and SND6 (Material:stainless steel)

SUNS Address:127 Rivemeck Road, Chelmsford, MA01824
Phone:+1-978-349-2329 Fax:+1-978-349-2330 E-mail:info@suns-usa.com



[ Add to Cart ]